產品特點
✤ 完善的自檢功能,提升設備安全性
✤ 全系列可配置線同步或光同步
✤ 專業防水結構技術,防水等級IP68級
✤ 反應靈敏,回應時間小於15ms
✤ 可定制遮罩(浮動/固定消隱)功能
✤ 室內使用對射距離可達30米
✤ 直接與PLC連接或其他上位機控制
✤ 外觀結實,直徑55mm,適合多種場合使用
技術參數
| 信號輸出 | NPN/PNP(可選) |
| 同步類型 | 光同步/線同步(可選) |
| 光幕形式 | 對射型 |
| 外殼防護等級 | IP68 |
| 連接類型 | 航插(3針/4針)/(4針/5針) |
| 負載電流 | <120mA |
| 工作電流 | <200mA |
| 紅外波長 | 紅外發光二極體940nm |
| 抗干擾能力 | 10000Lux |
| 主體外形材質 | 鋁合金/亞克力/聚酯 |
| 電路保護 | 反接保護/輸出短路保護/超載保護 |
| 消耗功率 | 3-8W |
| 工作溫度 | -15℃--65℃ |
| 環境溫度 | 20C,RH≤85% |
| 介電強度 | DC30V.5A |
| 絕緣電阻 | >100 MΩ |
| 產品認證 | CE FCC |
| 外殼顏色 | 黃色 |
| 產品重量 | 隨著光柵高度(長度)而變化 |
| 產品應用 | 各類自動化設備、包裝機工業、食品製造業、電子行業、五金製造業等 |
產品尺寸圖
尺寸數據表格如下:
| 光軸點數 | D(光軸間距) | A1(上端蓋) | A2 (下端蓋+航空插頭) | B1 (上盲區) | B2 (下盲區) | H (保護高度) | L(總高度) |
| N | 10mm | 14mm | 47mm | 5mm | 32mm | H=(N-1)*10 | L=N*D+88 |
| N | 20mm | 14mm | 47mm | 10mm | 37mm | H=(N-1)*20 | L=N*D+88 |
| N | 30mm | 14mm | 47mm | 15mm | 42mm | H=(N-1)*30 | L=N*D+88 |
| N | 40mm | 14mm | 47mm | 20mm | 47mm | H=(N-1)*40 | L=N*D+88 |
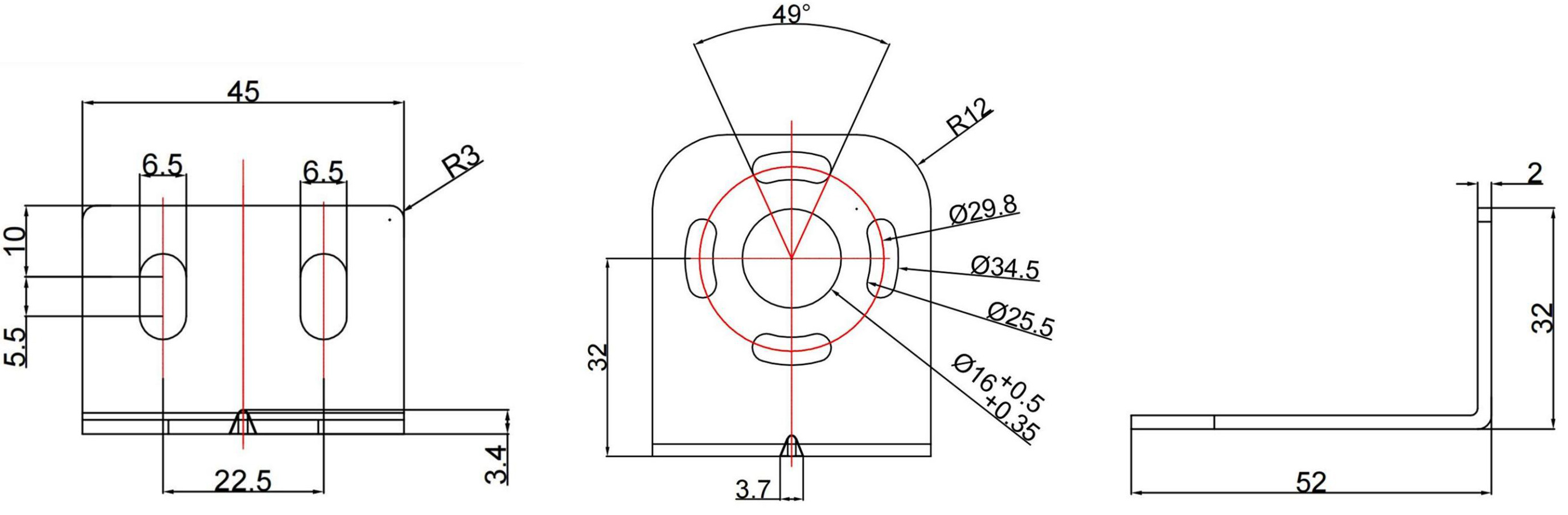
固定支架種類
產品接線圖
出廠標準配件
規格型號組成說明
規格型號一覽表





