咨詢熱線

13511624063
網站導航
安全光柵
當前位置: 首页 > 産品中心 > 安全光柵
+

通用型安全光柵 M係列

產品簡述:

M系列通用型安全光柵是基於微機控制的一套高品質,高性能安全防護產品,採用脈衝掃描技術,功能強大,自檢功能完善,使用簡單,安全可靠,回應時間15ms以內,對射距離3米內,適合各種中小型機械設備使用。可定制自動遮罩和設定遮罩功能,自帶獨立電晶體安全輸出,也可配置控制器提供安全繼電器信號輸出。

產品詳情
產品特點

✤ 完善的自檢功能,提升設備安全性 

✤ 全系列可配置線同步或光同步

✤ 信號輸出多種可選擇 

✤ 反應靈敏,回應時間小於15ms

✤ 可定制遮罩(浮動/固定消隱)功能 

✤ 抗電磁、變頻器、鐳射、太陽光干擾

✤ 可定做非標型光柵(外觀或功能) 

✤ 外觀小巧,適合小型設備或空間較小的地方

6-m-d1.jpg

技術參數

6-m-d2.jpg

產品尺寸圖

6-m-d3.jpg

尺寸數據表格如下

6-m-d4.jpg

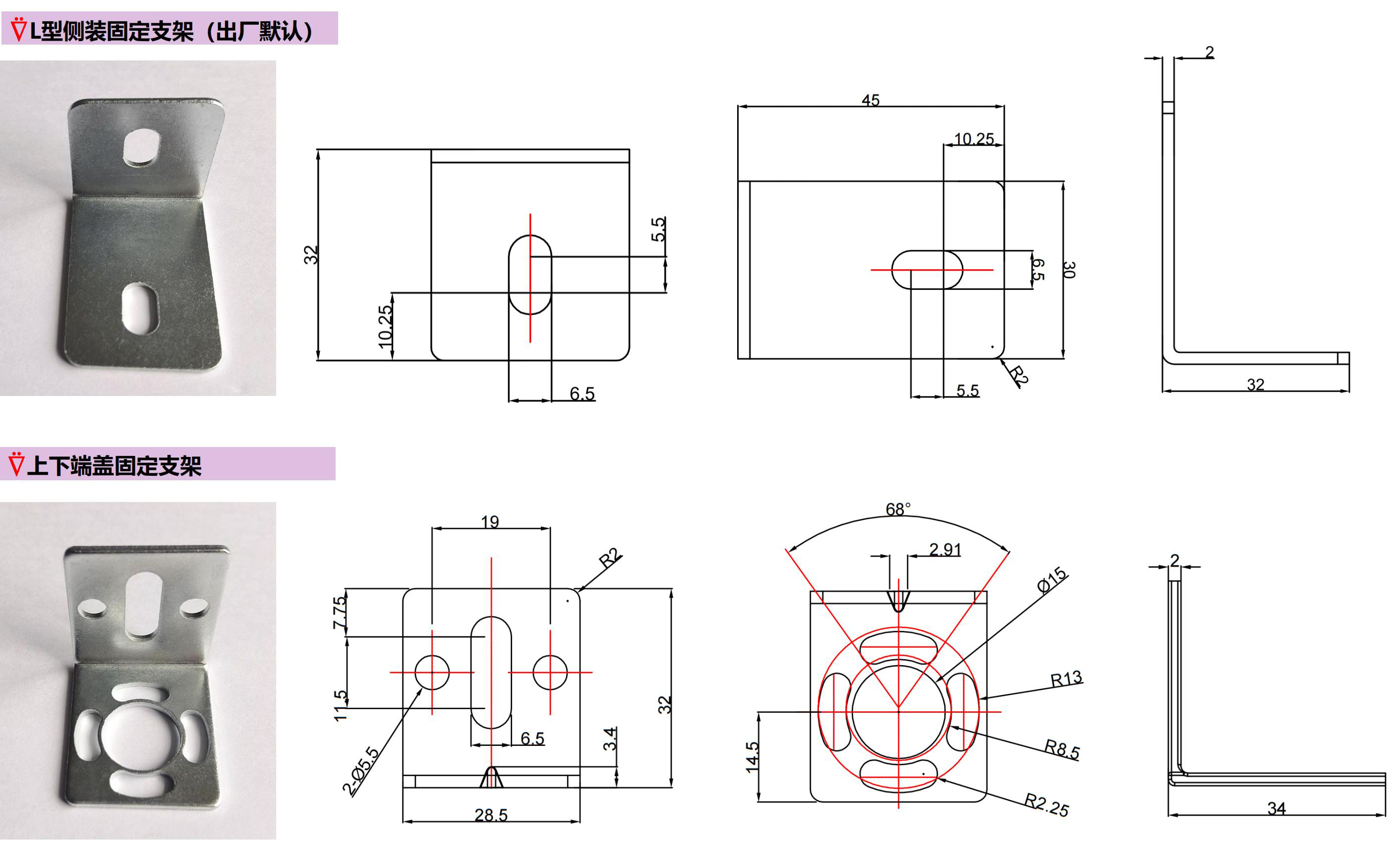
安裝固定方式

6-m-d5.jpg

產品接線圖

6-m-d6.jpg

出廠標準配件

6-m-d7.jpg

規格型號組成說明

6-m-d8.jpg

規格型號一覽表

6-m-d9.jpg

 


留言諮詢

線上留言

  • 咨询的产品:

  • 留言内容:

  • 公司名:

  • 姓名:

  • 手机:

  • 邮箱:

  • 详细地址:

  • 驗證碼:

    看不清?點擊更換
推薦產品

地阯:崑山開髮區風琹路23號3樓  電話:13511624063  郵箱:ylxu@jiuhuiauto.com

Copyright © 2026 囌州九暉自動化設備有限公司 版权所有  苏ICP备2022049303号-1  公安备案图标苏公网安备32058302003362号

二维码

聯係我們

13511624063