產品特點
✤ 完善的自檢功能,提升設備安全性
✤ 全系列可配置線同步或光同步
✤ 信號輸出多種可選擇
✤ 反應靈敏,回應時間小於15ms
✤ 可定制遮罩(浮動/固定消隱)功能
✤ 抗電磁、變頻器、鐳射、太陽光干擾
✤ 可定做非標型光柵(外觀或功能)
✤ 外觀小巧,適合小型設備或空間較小的地方

技術參數

產品尺寸圖

尺寸數據表格如下

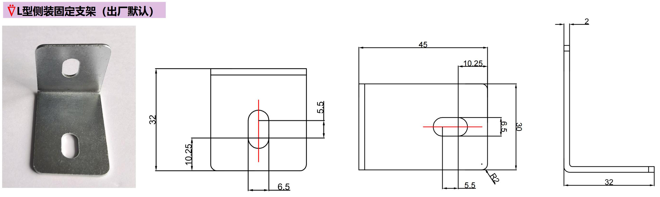
安裝固定方式

產品接線圖

出廠標準配件

規格型號組成說明

規格型號一覽表

地阯:崑山開髮區風琹路23號3樓 電話:13511624063 郵箱:ylxu@jiuhuiauto.com
Copyright © 2026 囌州九暉自動化設備有限公司 版权所有 苏ICP备2022049303号-1
苏公网安备32058302003362号
聯係我們